Дверь Ягуар iTEC Touch — флагманская умная дверь с сенсорным экраном

Ягуар iTEC Touch – флагманская модель компании «Двери Ягуар», которая выводит понятие умной двери на новый уровень. Это стальная входная дверь со встроенным сенсорным монитором и поддержкой IP-технологий, фактически многофункциональный гаджет для вашего дома.

Дверь сочетает безопасность, удобство и высокие технологии, превращая входную группу в часть умного дома. При этом iTEC Touch имеет стильный современный дизайн и воспринимается скорее как высокотехнологичный гаджет, чем просто дверь.

Ключевые преимущества Ягуар iTEC Touch

1 Полный обзор
и дистанционное общение

Большой встроенный экран позволяет вам видеть, кто находится за дверью, не открывая её . В любую погоду и время суток вы контролируете пространство перед входом. Вы можете тут же переговорить с посетителем через встроенный микрофон/динамик и даже открыть дверь удалённо по нажатию кнопки на экране или через смартфон – например, чтобы впустить гостей или курьера, не подходя к двери лично.

2 Инновационный дизайн
под ваш интерьер

iTEC Touch не только функциональна, но и эстетична. Дверь имеет современный лаконичный вид: сенсорный экран интегрирован заподлицо, а внешняя отделка может быть выбрана под ваш интерьер (различные цвета, фактуры, панели). Она доступна в разнообразных вариантах отделки, от классических до хай-тек, так что вы подберёте идеальный стиль для своего дома . Высокотехнологичный облик двери произведёт впечатление и подчеркнёт статус владельца.

3 Комфорт и «умные»
возможности

Ягуар iTEC Touch призвана сделать вашу жизнь удобнее и безопаснее. Она обеспечит постоянный видеоконтроль и возможность удалённого управления доступом, избавив от беспокойства за дом. Безопасность и комфорт – главные приоритеты: дверь оснащена передовыми системами защиты и в то же время добавляет уют и современность вашему жилищу . Вы будете ощущать ту же простоту управления, что и с привычным смартфоном, только масштаба входной двери!

Описание и технологии

Компания «Двери Ягуар» оснастила модель iTEC Touch самыми передовыми технологиями, превратив её в настоящий центр управления входом. Внутри двери установлен 27-дюймовый мульти-тач IPS-экран с поддержкой одновременного 10-пальцевого ввода .

По сути, это встроенный планшет большого формата: вы можете управлять им так же, как привычным сенсорным устройством. Яркий Full HD дисплей служит видеодомофоном, панелью управления и информационным табло одновременно.

Мощная начинка на базе Android

Дверь работает под управлением современной операционной системы Android. Это означает, что доступны тысячи приложений – от мессенджеров до систем умного дома. Вы можете устанавливать необходимые программы через Google Play, как на смартфоне.

Встроенный компьютерный модуль обладает высоким быстродействием (процессор ARM, до 4 ГБ оперативной памяти) и энергоэффективностью для бесперебойной работы.

Слайдерная модульная конструкция

Инженеры предусмотрели выдвижную систему быстрого обслуживания компонентов. Все основные электронные модули (экран, контроллер, замки и пр.) собраны блочно. При необходимости обслуживания или апгрейда техники не нужно демонтировать саму дверь – достаточно выдвинуть сервисный модуль и заменить или отремонтировать нужный блок.

Это существенно упрощает модернизацию: дверь готова к обновлениям и не устареет морально. Например, через пару лет вы сможете заменить экран на более новый или добавить дополнительные датчики, не меняя всю дверь.

Современные средства безопасности

В Ягуар iTEC Touch можно интегрировать различные системы доступа. Дверь поддерживает подключение HD-видеокамеры для видеозвонков и обзора снаружи . Предусмотрена совместимость с биометрическими замками, кодовыми панелями, RFID-считывателями – по вашему выбору.

Базовая версия двери комплектуется электрозамком, управляемым электроникой, и дублирующими механическими замками для надежности. Все компоненты надежно защищены внутри полотна двери и рассчитаны на долгую службу: кабели проложены в специальных каналах, присутствует вентиляция и защита от перегрева, что особенно важно для электроники внутри металлической двери .

Модели с сенсорным экраном

314144
Exit G21 Soft Touch gorchica
Sanyo D501 Tuya
PianaDub 3PG Шпон piana_дуб_мореный
Sanyo D501 Tuya
Markov Tech 0029
Penta 314144
от 355 154
314208
Exit V22 Soft Touch light_grey
Aqara Smart Lock D200i
Piana 22PG Шпон oreh_milan
Aqara Smart Lock D200i
Markov Tech 0029
Penta 314208
от 388 054
314134
Exit V22 Soft Touch green_grey
Antares
Экошпон гладкая орех темный ZB 913-2
Antares
Markov Tech 0029
Penta 314134
от 325 804
314228
Muar 9005
Sanyo D501 Tuya
АВП Arpa URB 3449
Sanyo D501 Tuya
Markov Tech 0029
Penta 314228
от 337 804
314136
Yaguar Arpa Lossa
Aqara Smart Lock D200i
PianaDub 12PG Шпон piana_дуб_северный
Aqara Smart Lock D200i
Markov Tech 0029
Penta 314136
от 387 604
314260
PianaDub 10PG Шпон piana_дуб_натуральный
Philips EasyKey 7300
АВП гладкая Arpa 3329 с вставкой из стекла
Philips EasyKey 7300
Markov Tech 0029
Penta 314260
от 345 104
314210
Exit V22 Soft Touch bordo
Hogo-V7
Piana 12PG Шпон oreh_americano
Hogo-V7
Markov Tech 0029
Penta 314210
от 318 054
314240
PianaDub 11PG Шпон piana_дуб_янтарный
Sanyo D501 Tuya
PianaDub 20PG Шпон piana_дуб_молочный
Sanyo D501 Tuya
Markov Tech 0029
Penta 314240
от 357 854
314188
Шпон гладкая tortora NCS S 2002-Y 50 R
Philips EasyKey 7300
PianaDub 13PG Шпон piana_дуб_фуме
Philips EasyKey 7300
Markov Tech 0029
Penta 314188
от 348 254
314232
PianaDub 22PG Шпон piana_дуб_лаванда
Aqara Smart Lock D200i
АВП гладкая Cleaf FB 86 idea
Aqara Smart Lock D200i
Markov Tech 0029
Penta 314232
от 387 604
314178
Экошпон гладкая бетон бромо 300
Philips EasyKey DDL709-FVP
PianaDub 3PG Шпон piana_дуб_натуральный
Philips EasyKey DDL709-FVP
Markov Tech 0029
Penta 314178
от 390 004
314244
PianaDub 21PG Шпон piana_дуб_ясный
Aqara Smart Lock D200i
PianaDub 20PG Шпон piana_дуб_фуме
Aqara Smart Lock D200i
Markov Tech 0029
Penta 314244
от 390 754
314170
Plastic M3005 SE
Antares
Шпон гладкая дуб европейский тангенциальный Piana 20PG
Antares
Markov Tech 0029
Penta 314170
от 334 004
314142
PianaDub 13PG Шпон piana_дуб_фуме
Philips EasyKey DDL709-FVP
PianaDub 10PG Шпон piana_дуб_северный
Philips EasyKey DDL709-FVP
Markov Tech 0029
Penta 314142
от 398 654
314300
PianaDub 21PG Шпон piana_дуб_лаванда
Sanyo D501 Tuya
Экошпон гладкая лофт черный LS 00 929-2
Sanyo D501 Tuya
Markov Tech 0029
Penta 314300
от 349 204
314256
АВП Cleaf FA 33 Seviglia
Aqara Smart Lock D200i
PianaDub 14PG Шпон piana_дуб_жемчужно_серый
Aqara Smart Lock D200i
Markov Tech 0029
Penta 314256
от 387 604
314328
Exit V21 Soft Touch misty_green
Aqara Smart Lock D200i
PianaDub 1PG gor Шпон piana_дуб_беленый
Aqara Smart Lock D200i
Markov Tech 0029
Penta 314328
от 388 054
314324
PianaDub 21PG Шпон piana_дуб_натуральный
Sanyo D501 Tuya
Piana 10PG Шпон oreh_americano
Sanyo D501 Tuya
Markov Tech 0029
Penta 314324
от 357 854
314138
PianaDub 22PG Шпон piana_дуб_мореный
Hogo-V7
Кортекс гладкая дуб терра
Hogo-V7
Markov Tech 0029
Penta 314138
от 315 154
314298
PianaDub 13PG Шпон piana_дуб_северный
Philips EasyKey DDL709-FVP
PianaDub 10PG Шпон piana_дуб_жемчужно_серый
Philips EasyKey DDL709-FVP
Markov Tech 0029
Penta 314298
от 398 654
314304
АВП гладкая Cleaf UB07 primo flore
Aqara Smart Lock D200i
PianaDub 13PG Шпон piana_дуб_мореный
Aqara Smart Lock D200i
Markov Tech 0029
Penta 314304
от 387 604
314222
PianaDub 1PG_vert Шпон piana_дуб_фуме
Hogo-V7
Кортекс Epsilon 21 ясень каналетто
Hogo-V7
Markov Tech 0029
Penta 314222
от 315 154
314332
PianaDub 11PG Шпон piana_дуб_северный
Philips EasyKey 7300
PianaDub 11PG Шпон piana_дуб_европейский
Philips EasyKey 7300
Markov Tech 0029
Penta 314332
от 348 254
314278
Exit G21 Soft Touch bordo
Antares
PianaDub 14PG Шпон piana_дуб_ясный
Antares
Markov Tech 0029
Penta 314278
от 334 454

Смарт-функции и применение

Ягуар iTEC Touch открывает широкие возможности для взаимодействия и автоматизации.
Вот лишь некоторые сценарии использования этой умной двери в повседневной жизни:

Личный информационный центр:

На большом экране двери вы можете выводить полезную информацию. Например, установить виджеты погоды, календарь или новости – удобно просматривать прогноз и свежие новости прямо перед выходом из дома. Больше не нужно проверять телефон по утрам: дверь сама подскажет, брать ли зонт, и напомнит о событиях дня.

Часть умного дома:

iTEC Touch легко интегрируется с экосистемой умного дома. Дверь совместима с популярными платформами, включая Mi Home (Xiaomi) и другими системами IoT. Вы можете управлять элементами умного дома через браузер на двери или специальные приложения: например, просматривать камеры видеонаблюдения по периметру дома, контролировать сигнализацию, включать освещение или климат-контроль. Фактически дверь становится еще одним умным устройством в вашей сети, способным обмениваться данными с охранными датчиками и контроллерами жилья

Доска для заметок и общение:

Используйте экран как цифровую доску. Оставляйте семье записки и напоминания, рисуйте уведомления от руки – всё это можно сделать на сенсорном дисплее. Более того, Ягуар iTEC Touch поддерживает мессенджеры и видеосвязь. Вы можете отправить сообщение или фото на экран двери из любого места через Telegram, Skype и т.д., чтобы домашние увидели его. Или наоборот – находясь дома, принять видеовызов прямо на двери. К примеру, позвонить семье по видеосвязи, просто подойдя к двери, вместо того чтобы искать телефон.

Дистанционное открытие и пропуск гостей:

Через мобильное приложение вы всегда контролируете состояние двери (открыто/закрыто, заперто/отпущено). При приходе гостей вы можете не только видеть и говорить с ними, но и удаленно отпереть дверь одним касанием – например, если это близкий человек, которому вы доверяете вход. Также можно настроить временные цифровые ключи или пароли для гостей, чтобы они сами открыли дверь в определенный промежуток времени. Все операции фиксируются в логах доступа, так что вы точно знаете, кто и когда входил.

Персонализация под ваши задачи:

Количество сценариев использования ограничено лишь вашей фантазией. Вы сами выбираете, какие приложения и функции будут доступны на двери. Хотите смотреть видеоролики или обучающие курсы, находясь в прихожей? Пожалуйста, запустите YouTube. Желаете получать уведомления с камер вокруг дома – настройте соответствующее приложение. Ягуар iTEC Touch адаптируется под ваш образ жизни и потребности.

Подключение и интеграция

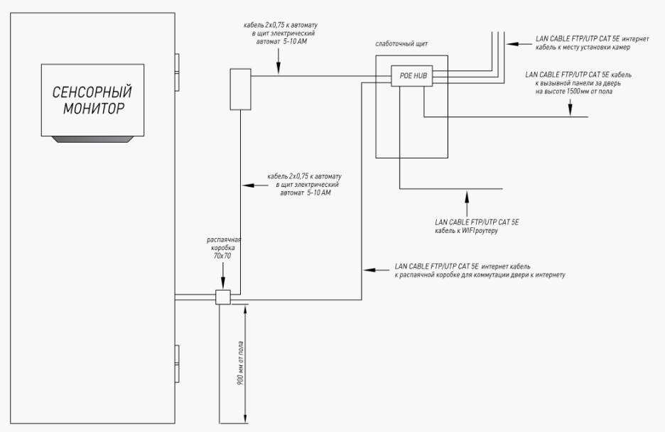
Монтаж и установка:

Несмотря на обилие технологий, установка двери iTEC Touch практически не отличается от стандартной. Ее габариты и конструкция рассчитаны под типовые дверные проемы. Важно лишь обеспечить подключение питания и интернета. Учтите, что данная модель предназначена для эксплуатации внутри помещений – она не должна напрямую подвергаться воздействию дождя или низких температур (не рекомендуется для уличных незакрытых входов). Идеальный вариант – установка в квартиру или отапливаемый тамбур частного дома.

Питание:

Дверь требует подключение к источнику 12 В (блок питания 220В->12В устанавливается скрыто, обычно в дверном проеме). Потребление энергии сопоставимо с работой обычного компьютера или большого планшета. В случае отключения электричества дверь остаётся закрытой и защищает дом как обычная механическая, однако функционал экрана и замков временно недоступен – поэтому рекомендуется предусмотреть резервное питание (UPS) для бесперебойной работы системы безопасности.

Интернет и связь:

Для всех смарт-функций необходим доступ в интернет. Дверь оснащена модулем Wi-Fi и Ethernet для подключения к вашей сети. Рекомендуется располагать Wi-Fi роутер в прямой видимости двери на расстоянии до ~5 м для стабильного сигнала . При первом запуске система предложит подключиться к Wi-Fi и войти в аккаунт Google для активации сервисов Android. Далее дверь готова принимать голосовые команды (например, через ассистента Google) и обмениваться данными с другими устройствами.

Интеграция с системами безопасности:

Ягуар iTEC Touch поддерживает подключение к IP-видеодомофонам и другим современным охранным системам. Если в вашем подъезде или коттеджном поселке используется цифровой IP-домофон, дверь легко соединяется с ним через приложение или браузер. Также доступна интеграция с сетевыми камерами видеонаблюдения и охранными датчиками: вы можете просматривать их через интерфейс двери или получать сигналы тревоги. Дверь совместима с протоколами умного дома (например, Tuya, ZigBee, Z-Wave через соответствующие хабы и приложения).

Технические характеристики Ягуар iTEC

Параметр
Значение
Конструкция двери

Однопольная стальная дверь, серия Penta Ягуар

Толщина дверного полотна

77 мм (утеплённое, усиленное полотно)

Толщина стали

2,5 мм лист стали на полотне , цельногнутый короб

Уплотненители

3 контура Schlegel (Германия) – максимальная звуко- и теплоизоляция

Наполнение и изоляция

Минеральная вата ISOVER + теплоотражающие слои; опционально терморазрыв для уличных моделей

Петли

3 шт. на подшипниках (скрытые, рассчитаны на высокий ресурс)

Экран

Встроенный цветной монитор, защищён тонированным антивандальным стеклом;
диагональ 10” (не сенсорный)

Сенсорная панель

Емкостный мульти-тач, до 10 одновременных касаний; закалённое защитное стекло

Операционная система

Android (актуальная версия) – поддержка Google Play, голосовой ассистент,
обновления по Wi-Fi

Процессор и память

6-ядерный ARM (2×Cortex-A72 + 4×Cortex-A53), ОЗУ 4 ГБ, ПЗУ 64 ГБ;
аппаратное ускорение видео 4K

Система замков

Электронный замок с дистанционным управлением (управляется со смартфона/экрана); 2 механических замка (цилиндровый и сувальдный) с высоким классом взломостойкости для резервного доступа

Связь

Wi-Fi 2.4/5 GHz, Bluetooth 4.2, Ethernet 1 Gbit; NFC модуль (опционально для замка)

Аудио

Встроенные стереодинамики + всенаправленный микрофон; шумоподавление для
чёткой связи с посетителем

Домофон и камеры

Поддержка IP-видеодомофонов (SIP-протокол); дополнительная HD-камера в глазке двери;
возможность подключения внешних IP-камер и сигнализации

Функции умного дома

Интеграция с умными домами (MiHome, Tuya и др. через приложения);
уведомления на смартфон; сценарии автоматизации (через IFTTT/Webhooks)

Питание системы

220 В через адаптер (12В и 5В линии для разных модулей) ; энергопотребление ~50–60 Вт
в активном режиме; резервное питание (опция)

Примечание:

Конфигурация Ягуар iTEC Touch может быть адаптирована под требования заказчика. По умолчанию дверь поставляется с полным комплектом электроники и базовых приложений.

Дополнительно можно заказать установку системы распознавания лиц, биометрического замка отпечатков пальцев, а также интеграцию с конкретной платформой умного дома. Производитель предоставляет гарантийное обслуживание на электронные компоненты и регулярные обновления ПО для стабильной и безопасной работы устройства.

Ягуар iTEC Touch – это не просто дверь, а высокотехнологичный охранный комплекс, вписанный в привычный формат входной группы. Вы получаете гаджет на страже дома, который дарит чувство безопасности и одновременно упрощает бытовые задачи.

Эта умная дверь демонстрирует, как инновации делают жизнь удобнее: вы всегда на связи со своим домом, всегда видите и контролируете, что происходит у порога, и можете смело шагать в ногу со временем, оснастив своё жильё передовыми технологиями.


Подобрать по параметрам
Ремонт дверей
+7 903 743-45-08
Ремонт дверей
+7 903 743-45-08

Двери «Ягуар» в регионах

Перейти в салоны
Входные двери

О компании

Горячая линия

Воронеж +7(980) 243-06-08

voronej@dveri-academy.ru

Меню

Горячая линия

Воронеж +7(980) 243-06-08

voronej@dveri-academy.ru
Каталог